MPC-Stützstrebe

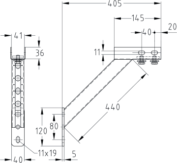
MPC-Stützstrebe für Profile 38/40-40/120, Länge: 440 mm, feuerverzinkt

Art.-Nr.: 129789
Abgabeeinheit: 1 Stück
Gewicht/ME: 1,404 kg
Stück

Anwendung

  • Stützstrebe zum Abstützen von Schienenkonsolen für die Schienenmontage und Schienenkonsolen mit Grundplatte
  • Für den Außeneinsatz geeignet

Ihre Vorteile

  • Schnelle Montage durch vormontierte Schienendoppelmutter
  • Mit Kantenumgriff für die Schienenkonsole
  • Seitliche Langlöcher ermöglichen die Positionierung von MPC-Systemschienen 38/40 mit Schlitz nach der Seite
Kurzbeschreibung
MPC-Stützstrebe für Profile 38/40-40/120, Länge: 440 mm, feuerverzinkt
Schienensysteme
für MPC-Profile
Produkttyp
Anbindungsteile
Für Profile
38/40-40/120
Material
Stahl
Oberfläche
feuerverzinkt
Länge L [mm]
440
Länge L1
405 mm
eCl@ss 7.1
23-36-02-90
eCl@ss 11.1
23-36-02-90
Max. empfohlene Belastung Wandmontage
2.500 N
Max. empfohlene Belastung Montage im Schienenschlitz
2.000 N
Zolltarifnummer
73269060
Weitere technische Details finden Sie im Datenblatt.